|
Elec N° 01 : La tension électrique.Exercices Cours. |
|
|
Calcul de tensions dans un montage |
1)- Exercice 7 page 20 : Relation entre les tensions
|
Entre trois
points A,
B et
C d’un montage, on mesure les tensions
suivantes :
UAB = 3,2 V
et UAC = 4,5
V 1)- Quelle
relation existe-t-il entre UAB,
UAC et
UBC ? 2)- En déduire la valeur
de la tension UBC. |
|
UAB
= 3,2 V et UAC
= 4,5 V 1)- Relation entre
UAB,
UAC et
UBC : - UAC
= UAB
+ UBC - On a utilisé l’additivité des tensions. 2)- Valeur de la tension
UBC : - UAC
= UAB +
UBC - UBC
= UAC –
UAB - UBC
= 4,5 – 3,2 - UBC
= 1,3 V |
2)- Exercice 8 page 20 :![]()
|
Des mesures de tension effectuées sur le
montage représenté ci-dessous donnent :
UPN
= + 4,5 V et UBC
= + 2,1 V 1)- Que vaut
UAC ? 2)- Calculer
UAB ? 3)- Quelle est la valeur de UDE
? |
|
UPN
= + 4,5 V et UBC
= + 2,1 V
1)- Valeur de la tension
UAC : - Schéma :
- L’unicité de la tension
permet d’écrire que : - UAC
= UPN = + 4,5
V 2)- Valeur de la tension
UAB : - Schéma :
- L’additivité des tensions permet d’écrire : - UAC
= UAB +
UBC - UAB
= UAC –
UBC - UAB
= 4,5 – 2,1 - UAB
≈ 2,4 V 3)- Valeur de la tension UDE : - Schéma :
- Unicité de la tension : - UDE
= UAC =
UPN = + 4,5 V |
3)-
Exercice 14 page 21 : Montage en série et en
dérivation. Dans le montage ci-après, les lampes sont
identiques ainsi que les dipôles D1 et
D2.
La
tension aux bornes de chaque lampe est 3,5 V. 1)-
Quelle est la tension UPN
aux bornes du générateur ? 2)-
Représenter cette tension par une flèche. 3)-
Quelle est la tension aux bornes de
D1 ? Représenter par une flèche cette tension positive aux bornes de
D1..
Montage : Autre représentation du même
montage La tension aux bornes de chaque lampe :
U = 3,5 V. 1)- Valeur de la tension
UPN aux bornes du générateur : - Les trois lampes sont branchées en série aux
bornes du générateur. - Les lampes étant identiques, la tension est la même aux bornes de chaque
lampe. - UPN
= U1 +
U2 +
U3 - Avec U1
= U2 =
U3 =
U = 3,5 V - UPN
= 3,5 + 3,5 + 3,5 - UPN
≈ 10,5 V 2)- Flèche représentant la tension
UPN.
3)- Valeur de la tension aux bornes de
D1 : - Les dipôles
D1 et
D2 sont
branchées en série aux bornes du générateur. - Les dipôles
D1 et
D2 étant
identiques, la tension est la même aux bornes de chaque
dipôle. - Schéma : - UAB
= UBC et
UPN =
UAB + UBC - UPN
= 2 UAB - UAB
= 10,5 / 2 - UAB
≈ 5,75 V - Flèche cette tension positive aux bornes de
D1. - Schéma :
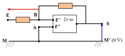
4)- Exercice 24 page 22 : Montage amplificateur inverseur. Sur le document ci-dessous, on a représenté
par des segments fléchés de couleurs les tensions
inconnues.
Des mesures ont donné : UEM = + 0,82 V ; UBS
= + 8,2 V et UAB = + 0,0 V 1)- Que représente la ligne MM’ ? 2)- Quelle est la tension représentée par le
segment fléché rouge ? Écrire une relation entre cette tension et
certaines tensions données. En déduire la valeur de la tension symbolisée
en rouge. 3)- Quelle est la tension symbolisée en
bleu ? Écrire une relation entre cette tension et
les tensions données. En déduire sa valeur.
Sur le document
ci-dessous, on a représenté par des segments fléchés de couleurs les tensions
inconnues. Des mesures ont
donné : UEM = + 0,82 V ; UBS
= + 8,2 V et UAB = + 0,0 V 1)- La ligne MM’ représente la ligne
de masse (0 V) 2)- Tension représentée par le segment fléché
rouge : - C’est la tension UEB. - Relation entre cette tension et certaines
tensions données. - UEM = UEB
+ UBA + UAM - Avec UBA = – UAB =
0,0V et UAM = 0,0V - Valeur de la tension : - UEM = UEB
= 0,82 V 3)- Tension symbolisée en bleu : - Tension représentée par le segment fléché
bleu : - C’est la tension USM’. - Relation entre cette tension et certaines
tensions données. - UEM = UEB
+ UBS + USM - Les points M et M’ sont
équivalents : - Relation entre cette tension et les
tensions données. - UEM = UEB
+ UBS + USM’ - Valeur de la tension USM’ - USM’ = UEM
– UEB – UBS - USM’ = 0,82 – 0,82 – 8,2 - USM’ ≈ – 8,2 V (Montage
amplificateur inverseur)
![]()






